铭磊在技术开发和产品应用上不断创新,寻求突破!
热线电话:15301561557
首页
关于铭磊
公司概况
企业文化
荣誉资质
系列产品
光纤传感器
光电传感器
激光传感器
色标传感器
安全光栅
安全门开关
接近传感器
数字气压传感器
真空发生器
静电消除器
应用领域
新闻资讯
公司新闻
行业资讯
联系我们
首页
系列产品
光电传感器
产品中心
PRODUCT CENTER
光纤传感器
光电传感器
激光传感器
色标传感器
安全光栅
安全门开关
接近传感器
数字气压传感器
真空发生器
静电消除器
联系我们
CONTACT US
【 微信扫码咨询 】
15301561557
<
>
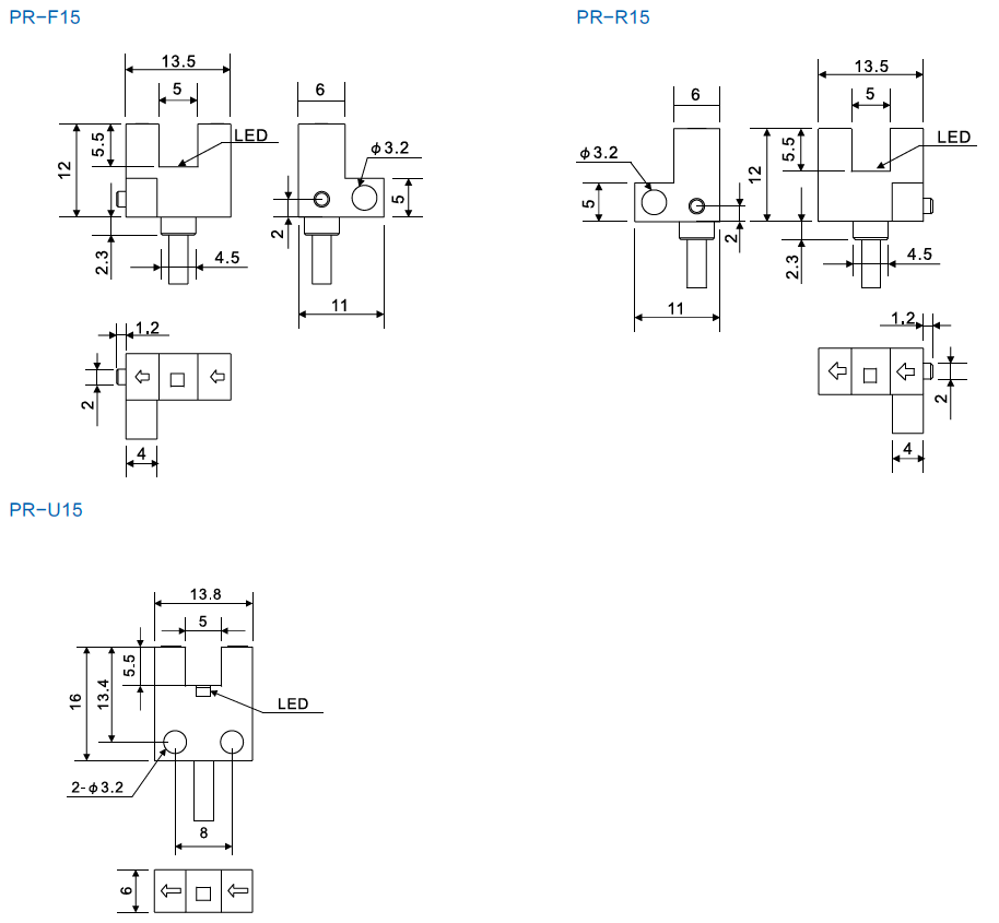
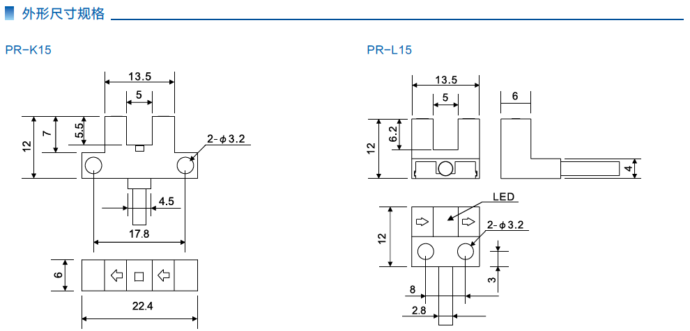
超小型槽型光电传感器
▶ 线引出:标配2M 耐曲折导线。(另有5m 可选)
▶ 电压范围宽:电源电压范围5~24VDC。
▶ 高速响应:应答频率为3KHZ 的高速响应。
全国服务热线:
15301561557
在线咨询
产品详情